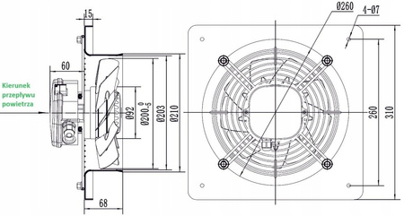
Ventilator industrial YWF-2E-200B-95/25B 200mm - Obturator gravitațional GS300
APLICAȚIE
Ventilatoarele axiale din seria YWF sunt proiectate pentru montare pe perete, pentru ventilarea spațiilor comerciale, cum ar fi magazine, baruri, camere sanitare, birouri, precum și pentru spațiile industriale m.în. hale de producție, depozite și ateliere.
CONSTRUCȚII
- Carcasă realizată din tablă de oțel acoperită cu pulbere.
- Ventilatoarele YWF în diametrele 200, 250, 300, 350, 400, 450, 500, 550, 630 au motoare monofazate - alte dimensiuni sunt disponibile la alte licitații.
- Ventilatoarele YWF în diametrele 710, 800 au motoare trifazate - alte dimensiuni sunt disponibile la alte licitații.
- Unitățile au un întrerupător termic și un condensator.
- Plasa de siguranță este confecționată din sârmă.
+ GS300 DISPOZITIV DE GRAVITAȚIE 300mm x 300mm
APLICAȚIE
Lamele pot fi utilizate în sistemele de ventilație, încălzire și aer condiționat, în industrie, spații comerciale și locuințe.
CONSTRUCȚII
Cadrul grilei este fabricat din metal de înaltă calitate cu un strat de polimer. Jaluzelele sunt realizate din PVC. Datorită stratului de polimer, lamelele sunt rezistente la condițiile meteorologice.
























