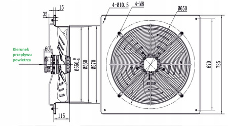
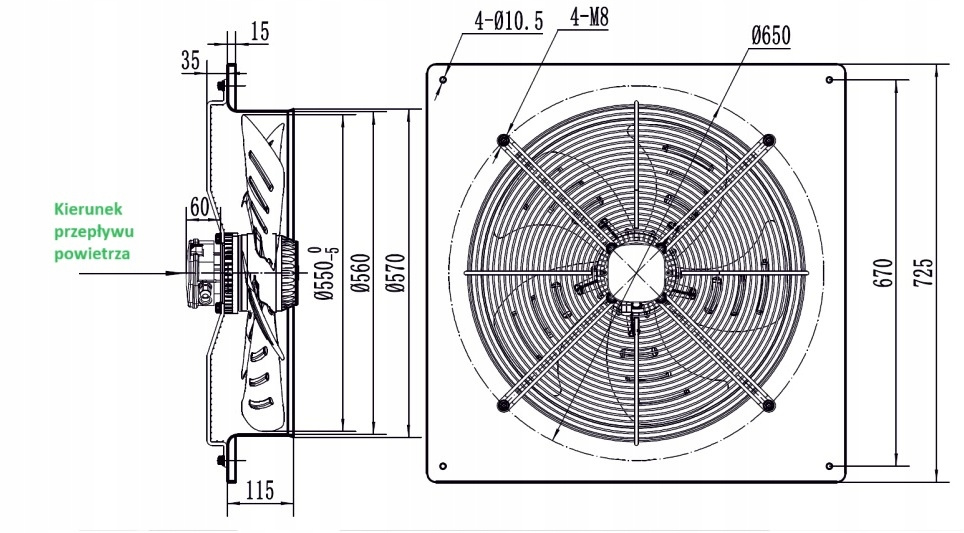
Ventilator de evacuare industrial YWF-4E-550B-137/70-B
APLICAȚIE
Ventilatoarele axiale din seria YWF sunt proiectate pentru montare pe perete, pentru ventilarea spațiilor comerciale, cum ar fi magazine, baruri, camere sanitare, birouri, precum și pentru spațiile industriale m.în. hale de producție, depozite și ateliere.
CONSTRUCȚII
- Carcasă realizată din tablă de oțel acoperită cu pulbere.
- Ventilatoarele YWF cu diametre de 200, 250, 300, 350, 400, 450, 500, 550, 630 au motoare monofazate.
- Ventilatoarele YWF cu diametre de 710, 800 au motoare trifazate.
- Unitățile au un întrerupător termic și un condensator.
- Plasa de siguranță este confecționată din sârmă.









