Ventilator axial industrial
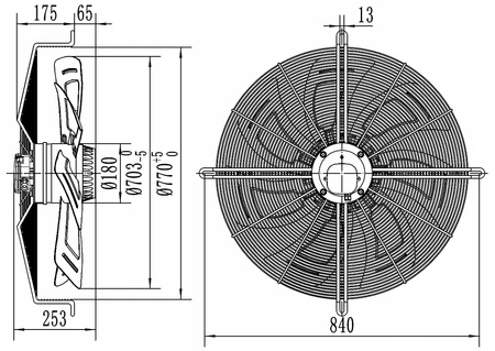
YWF-6D-710S-180/75-G - aspirație
Versiunea S - Aspirație
APLICAȚIE
Ventilatoarele axiale din seria YWF sunt proiectate pentru montare pe perete, pentru ventilarea spațiilor comerciale, cum ar fi magazine, baruri, camere sanitare, birouri, precum și spații industriale m.în. hale de producție, depozite și ateliere.
CONSTRUCȚII
- Carcasă realizată din tablă de oțel acoperită cu pulbere.
- Ventilatoarele YWF în diametrele 710 și 800 au motoare trifazate.
- Unitățile au un întrerupător termic și un condensator.
- Plasa de siguranță este realizată din sârmă de oțel pentru a reduce zgomotul și a asigura siguranța.






